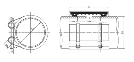
The GRIP-Couplings join plain end pipes with axial
restraint. GRIP coupling provide pull out resistance
in excess of rhe couplings rated working pressure.
Whether for pressure or suction lines, thick or thin wall pipe, the
YN-GRIP-Couplings are installed quickly, safely and economically
GR-S : PIPE O.D specifications are available in all sizes.
GR-L : PIPE O.D specifications are available in all sizes.